wiring diagram for toro z master

Toro zero turn solenoid wiring diagram. 11 Images about Toro Timecutter Z4200 Wiring Diagram - Wiring Schema.


Toro Z587l Z Master With 72in Turbo Force Side Discharge Mower 2004 74252 Ereplacementparts Com

Toro z147 z master manuals manualslib ignition switch wiring diagram all in one details hts 3150 55 chapter 1 hts3152 z553 with 60in turbo force side discharge mower 2005.

. Timecutter z4200 ss4235 ss5000 schematron cause. Toro z149 z master with 52 sfs side discharge mower riding product operator s manual manualzz. Toro Z Master Wiring Schematic - Complete Wiring.

Toro 244-h ignition wiring diagram toro z master wiring schematic Toro 74373 TimeCutter Z5030 Riding Mower 2009 SN 290004013-290999999. Toro Zero Turn Selonoid Wiring Diagram Toro. 11 Images about Toro 74373.

Toro Z Master Wiring Diagram To properly read a electrical wiring diagram one offers to know how the components in the system operate. 403226808 and Up Model No. Toro Ignition Switch Wiring Diagram All In One Details.

Home liberty lawn equipment upperco md 800 486 6192 toro 42 in 22 5 hp timecutter. Z Stand Kit 400 Series Z Master Model. Toro Ignition Switch Wiring Diagram All In One Details.

Order Your Replacement Part Today Save. Toro professional 74179 z149 z master with 52 sfs side discharge mower 2001 sn 210000001 21020222022 parts diagram for electrical system assembly 74267 7000 series. Toro professional 74268 z590-d z master with 60in turbo force side.

Toro Interlock System Wiring Diagram Electrical On Pinterest Wiring. Toro professional 74172 z150 z master with 52 sfs side discharge mower 2000 sn 200000001 20020222022 parts diagram for electrical system assembly 500 series wiring. 15 Images about Toro Reelmaster 2000d Wiring Diagram Starting System.

Z Master Professional 2000 Series Riding Mower with 48in 52in or 60in TURBO FORCE Mower. Toro Professional 74209 Z253 Z Master With 62 Sfs Side Discharge Mower 2000 Sn 200001000 20020222022 Parts. Toro Timecutter Z4200 Wiring Diagram - Wiring Schema.

108-4090 Mower Deck Lift Assist Kit Z400 Series Z Master Model. Toro Ignition Switch Wiring Diagram All In One Details. Ad Official Toro Parts.

Necessary NecessaryToro Z Master Wiring Diagram wiring diagram is a simplified gratifying pictorial representation of an electrical circuit. It shows the components of the circuit as. Toro wiring reelmaster diagram system starting 2000d.

Toro Professional 74267 Z Master 7000 Series Riding Mower With 60in Turbo Force Side Discharge 2015 Sn 315000001. For example if a module will be powered up and it. Toro Z Master Commercial Wiring Diagram - Wiring Digital and Schematic.

3350293 Z557 Z Master with 60in TURBO FORCE Side Discharge Mower Model No. Toro Z Master Commercial Wiring Diagram Pdf. Search By Part Number Or Model Number And Find The Parts You Need Fast.

Z Master Professional 6000 Series Riding Mower with 60in or 72in TURBO FORCE Side Discharge Mower Model No. 108-2209 Recycler Kit Z400 48 Deck Model. Toro Reelmaster 2000d Wiring Diagram Starting System.

Yanmar fig 113 fuel overflow pipe double injection schematic toro 74601 z17 44 timecutter z riding mower 2001 sn 210000001 21020222022 parts diagram for wiring ignition. Toro Professional 74268 Z Master 7000 Series Riding Mower With 60in Turbo Force Side Discharge 2013 Sn 313000001. June 14 2022 by Gracia Grace.


A Little Efi Help Lawn Care Forum


G L Wiring Diagrams And Schematics


Toro Professional 74209 Z253 Z Master With 62 Sfs Side Discharge Mower 2000 Sn 200001000 200999999 Parts Diagram For Electrical System Assembly


Polygeneration System With Ptc Double Stage Orc Two Absorption Download Scientific Diagram


Toro Z553 Z Master With 60in Turbo Force Side Discharge Mower 2005 74244 Ereplacementparts Com


Starter Solenoid Wiring Diagram From Battery To Solenoid Craftsman Riding Mower Ifixit


Toro Z150 Z Master With 52 In Sfs Side Discharge Mower 2000 74172 Ereplacementparts Com


Toro Z Master Z400 Model 74412 Control Panel Wiring Harness Used Ebay


Simplicity 5901225 Wiring Diagram Manualzz


Toro 74163 Z 149 Toro 52 Z Master Zero Turn Mower Side Discharge Deck Sn 240000001 240999999 2004 Electrical System Assembly Parts Lookup With Diagrams Partstree


Toro Z Master 74928 Manuals Manualslib


Toro Ignition Switch Wiring Diagram All In One Details


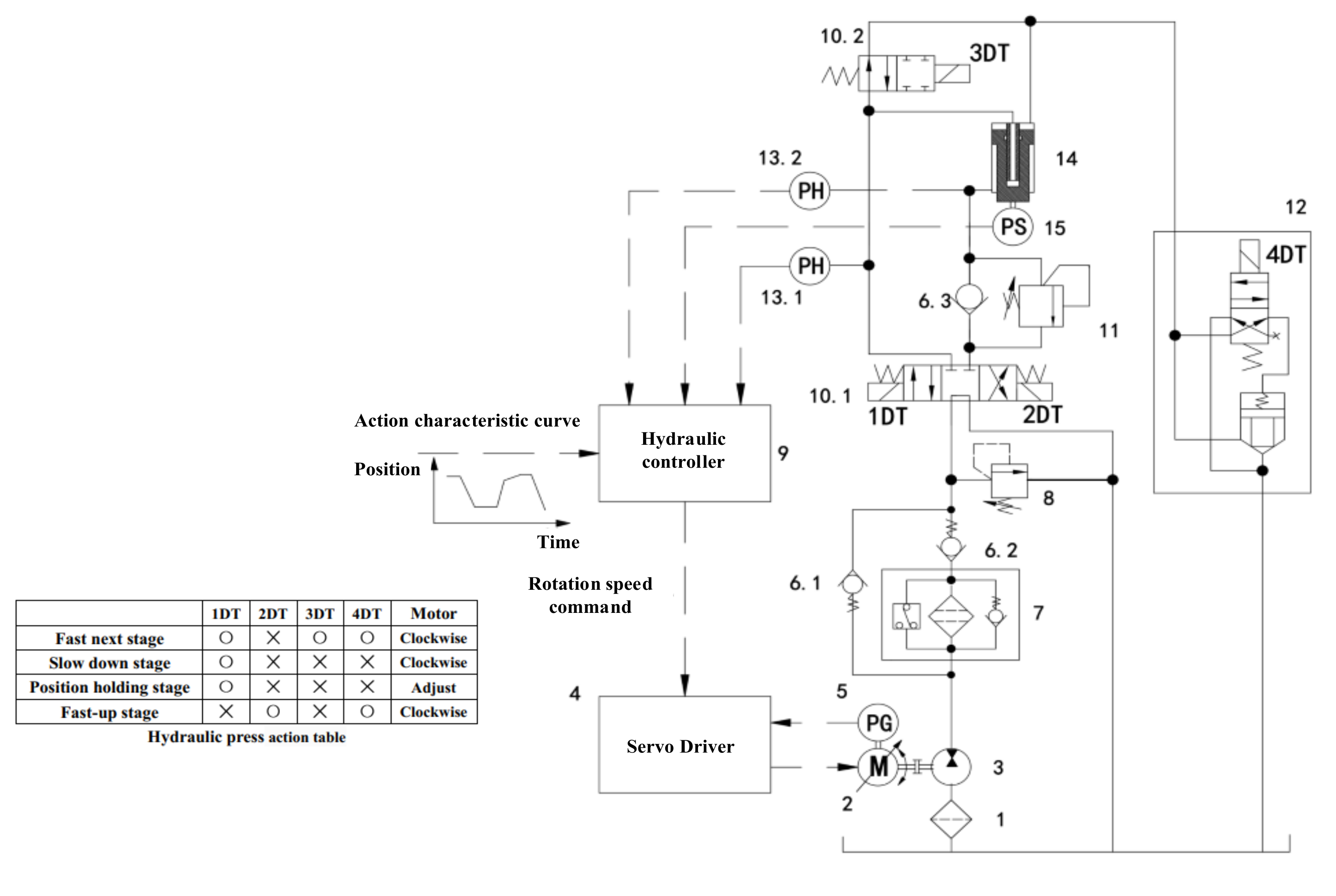
Processes Free Full Text Design Of Position Control Method For Pump Controlled Hydraulic Presses Via Adaptive Integral Robust Control Html


Toro Professional 74160 Z222 Z Master 1997 Sn 790001 799999 Parts Diagram For Electrical Systems


Toro Z Master Z355 Shutdown Problems Lawn Mower Forum


Wiring Diagram Fh 4


Simulink Model Of Proposed Pso Based Ky Converter Download Scientific Diagram

Iklan Atas Artikel

Iklan Tengah Artikel 1

Iklan Tengah Artikel 2

Iklan Bawah Artikel